产品概述
电动直通O型切断球阀,具有切断性能,当阀全开时,其流路和管道内径基本相同,压力损失极小,其特点是密封性能好,流向不限,动作灵活,维修方便,使用寿命长,是一种旋转型自动操作阀门,接受开关量信号,只需旋转1/4周就能实现阀门全开或全闭作用,适用于各种液体、气体、含纤维、微小颗粒浆类流体。
O型球阀有两种设计结构,浮动球阀与固定球阀,浮动球型价格便宜,多见于低压小口径。固定球阀不会因受压,球体向阀座移动,因而阀座受压小,转矩小,寿命长。
广泛适用于石化、冶金、电力、轻工、医药等工业部门生产过程控制中。
产品特点
本身密封可靠,结构简单,维修方便,密封面与球面常在闭合状态,不易被介质冲蚀,易于操作和维修,适用于水、溶剂、酸和天然气等一般工作介质,而且还适用于工作条件恶劣的介质,如氧气、过氧化氢、甲烷和乙烯等,在各行业得到广泛的应用。
1.流体阻力小,全通径的球阀基本没有流阻。
2.结构简单、体积小、重量轻。
3.紧密可靠。它有两个密封面,而且目前球阀的密封面材料广泛使用各种塑料,密封性好,能实现完全密封。在真空系统中也已广泛使用。
4.操作方便,开闭迅速,从全开到全关只要旋转90°,便于远距离的控制。
5.维修方便,球阀结构简单,密封圈一般都是活动的,拆卸更换都比较方便。
6.在全开或全闭时,球体和阀座的密封面与介质隔离,介质通过时,不会引起阀门密封面的侵蚀。
7.适用范围广,通径从小到几毫米,大到几米,从高真空至高压力都可应用。
8.由于球阀在启闭过程中有擦拭性,所以可用于带悬浮固体颗粒的介质中。
技术参数
■ 阀体
型 式:直通铸造球型阀
公称通径:15、20、25、32、40、50、65、80、125、150、200、250、300、350、400mm
公称压力:PN1.6、2.5、4.0、6.4MPa
法兰标准:JB/T79.1-94、79.2-94等
材 料:铸钢(ZG230-450)、铸不锈钢(ZG1Cr18Ni9Ti、ZG1Cr18Ni12Mo2Ti)等
上 阀 盖:与阀体成一整体 -45~+400℃
压盖型式:螺栓压紧式
填 料:V型聚四氟乙烯填料、含浸聚四氟乙烯石棉填料、石棉纺织填料、石墨填料
■ 阀内组件
阀芯型式:球型阀芯
流量特性:快开特性
材 料:铸不锈钢(ZG1Cr18Ni9Ti、ZG1Cr18Ni12Mo2Ti)
额定行程:全开90°
■ 执行机构
型 式:3810R、PSQ、DCL、HQ 电子式电动执行机构
输入信号:1-5V·DC
电源电压:220V/50Hz
环境温度:-25~+70℃
■ 阀作用型式
电关式(B)、电开式(K)
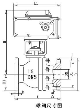
外形尺寸

| 公称通径DN | L | D | H | L1 | D1 | b | Z-d1 | H1 | L2 |
| 压力MPA | 1.6/2.5/4.0 | 1.6/2.5/4.0 | | | 1.6/2.5/4.0 | 1.6/2.5/4.0 | 1.6/2.5/4.0 | | |
| 15 | 130/130/140 | 95 | 275 | 160 | 65 | 14/16/16 | 4-14 | 48 | 208 |
| 20 | 140/140/150 | 105 | 280 | 160 | 75 | 14/16/16 | 4-14 | 53 | 208 |
| 25 | 150/150/165 | 115 | 287 | 196 | 85 | 14/16/16 | 4-14 | 58 | 208 |
| 32 | 165/165/180 | 135 | 384 | 196 | 100 | 16/18/18 | 4-18 | 68 | 208 |
| 40 | 180/180/200 | 145 | 312 | 196 | 110 | 16/18/18 | 4-18 | 73 | 208 |
| 50 | 200/200/220 | 160 | 325 | 196 | 125 | 16/20/20 | 4-18 | 80 | 208 |
| 65 | 220/220/250 | 180 | 335 | 255 | 145 | 18/22/22 | 4-18/8-18/8-18 | 90 | 256 |
| 80 | 250/250/280 | 195 | 365 | 255 | 160 | 20/22/22 | 8-18 | 98 | 256 |
| 100 | 280/280/320 | 215/230/230 | 400 | 255 | 180/190/190 | 20/24/24 | 8-18/8-23/8-23 | 120 | 256 |
| 125 | 320/320/360 | 245/270/270 | 420 | 255 | 210/220/220 | 24/28/30 | 8-23/8-25/8-25 | 140 | 256 |
| 150 | 360/360/400 | 280/300/300 | 440 | 255 | 240/250/250 | 24/28/30 | 8-23/8-25/8-25 | 167 | 256 |
| 200 | 400/400/550 | 335/360/375 | 470 | 255 | 295/310/320 | 26/34/38 | 12-23/12-25/ 12-30 | 210 | 256 |
| 250 | 630 750 | 405 470 | 545 | 310 | | | | | |
| 300 | 750 870 | 460 530 | 580 | 310 | | | | | |